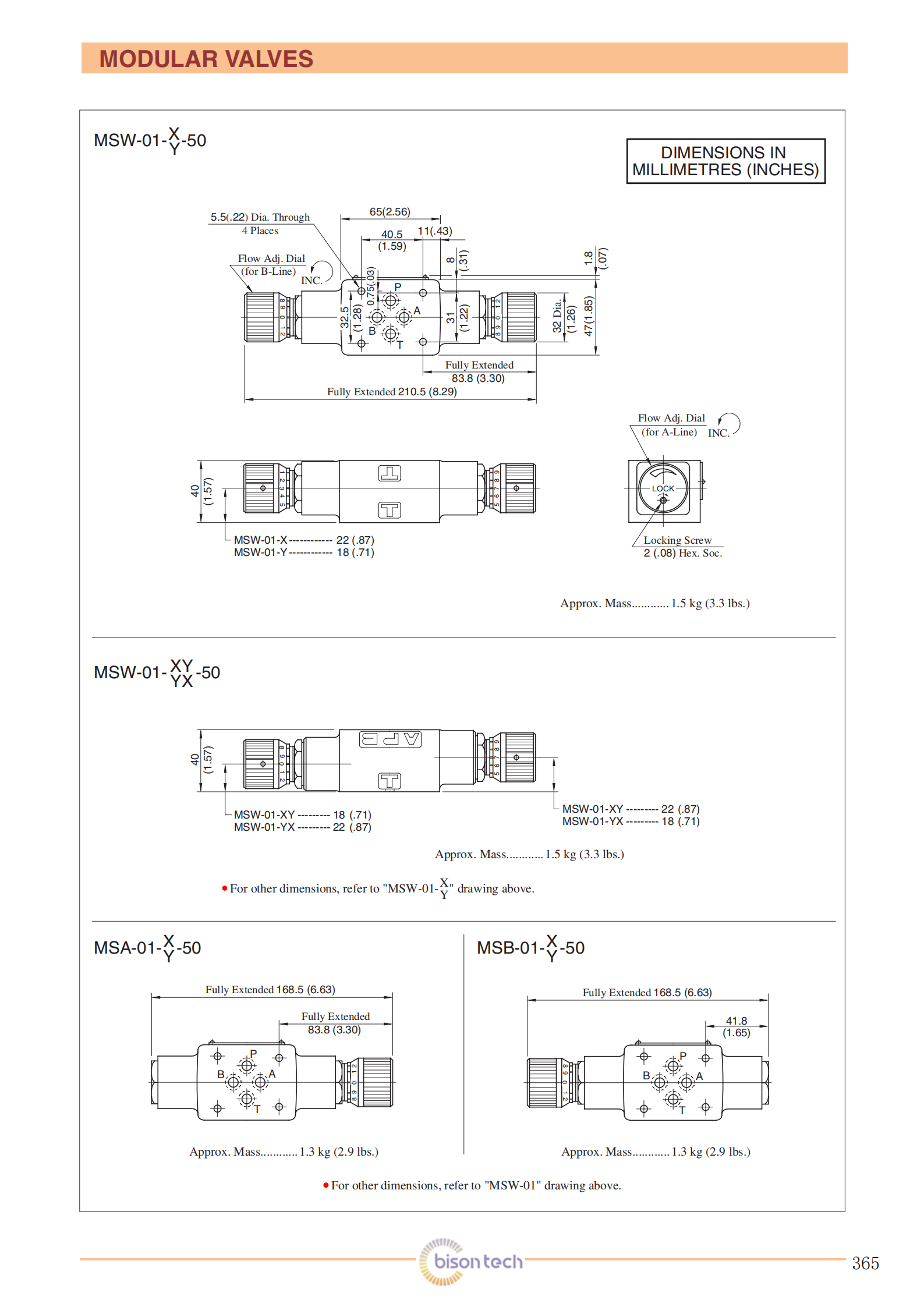
YUKEN Series Check Modular valve MSW-01-X-30

Model:
MSW-01-X-30
Max Pressure:
31.5MPa
Flow Capacity:
60L/min
Weight:
1.5KG
Description:
Professional manufacturer of hydraulic valves, solenoid valves,pressure control valves,flow control valves,directional control valves,logic valves,proportional valves,servo valves,etc. Our valve is based on Rexroth and YUKEN type, we provide good quality hydraulic valves at a competitive price.

Product details description


INQUIRY DETAILS