Hot products
Tel:0086 18955343797
E-mail:felix@bison-tech.com
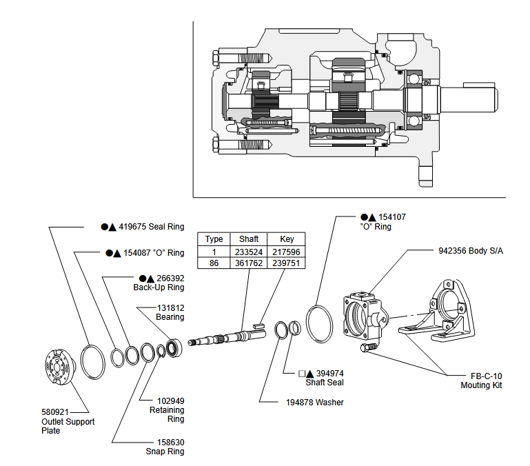
Product details description
Double-vane pump
Main material: Made of cast iron, it features high wear resistance and corrosion resistance, and is suitable for industrial hydraulic systems.
Sealing components: Key sealing parts are usually made of rubber or synthetic materials to ensure no leakage under high pressure (up to 25MPa).
Volumetric efficiency: Over 90%, low energy loss.
Sound level control: Low operating noise, suitable for industrial scenarios with high environmental requirements.
Pressure range: The working pressure can reach up to 25MPa (approximately 3626 psi), suitable for heavy-duty equipment.
Applicable temperature: Working temperature range 30-90℃, suitable for various hydraulic oil media.




