Hot products
Tel:0086 18955343797
E-mail:felix@bison-tech.com
Product details description
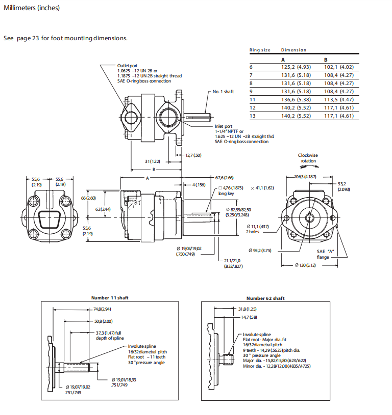
Vane pump
Material: Mainly made of cast iron, it features excellent wear resistance and corrosion resistance, and is suitable for high-pressure hydraulic environments.
Structure: Single-stage vane pump design, including core components such as vanes, rotors, and pump bodies. The hydraulic oil is drawn in and discharged through the rotation of the vanes.
Applicable medium: Hydraulic oil, working temperature range: 30-90℃.
Nominal pressure: 25MPa, suitable for medium and high-pressure hydraulic systems.
Scope of application: Hydraulic power transmission systems in industrial machinery and equipment, such as construction machinery, metallurgical equipment, etc


