Hot products
Tel:0086 18955343797
E-mail:felix@bison-tech.com
Product details description
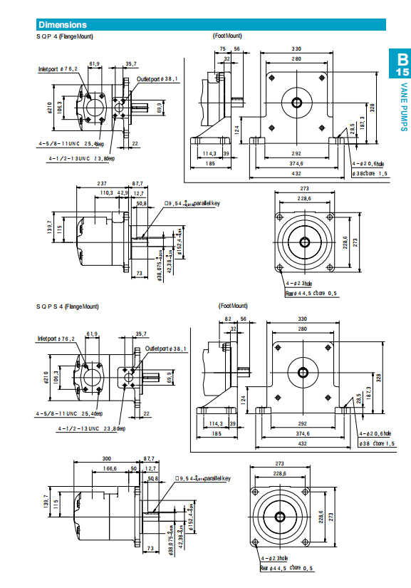
We provide a diverse selection of models within the SQP series vane pump lineup, and the SQP4-60-86C-18 stands out as a high-performance option tailored for heavy-duty hydraulic applications. In terms of materials and quality, the SQP4-60-86C-18 vane pump is outfitted with ultra-high-wear-resistant vanes made from reinforced composite materials and shock-resistant structural components. This superior configuration effectively boosts the stability of its large-displacement (102.5cm³/rev) core operation—even in harsh hydraulic working environments characterized by high oil contamination levels and frequent pressure variations, ensuring consistent performance without compromising efficiency.

