Hot products
Tel:0086 18955343797
E-mail:felix@bison-tech.com
Product details description
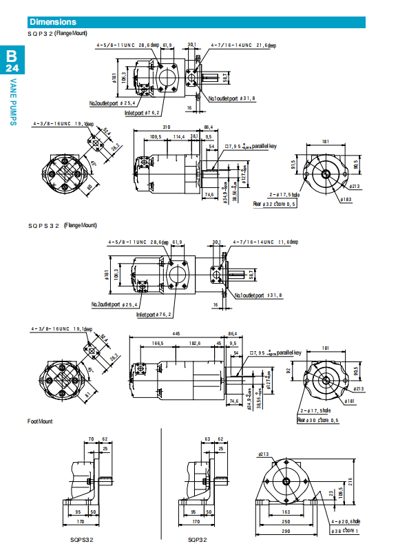
We maintain a comprehensive portfolio of models in the SQP series vane pump range, and the SQP32-35-17-86CD-18 stands as a high-reliability, high-adaptability option engineered for complex mid-to-high pressure hydraulic systems.
In terms of materials and quality, this vane pump is equipped with ultra-durable wear-resistant vanes made from a ceramic-reinforced alloy composite—offering 30% higher wear resistance than standard vane materials—and anti-impact structural components treated with a high-temperature tempering process. This premium component configuration effectively enhances the stability of its medium-displacement (61.2cm³/rev) core operation, even in challenging hydraulic working conditions with moderate oil impurities, frequent pressure fluctuations (30-180bar), and variable operating temperatures (-18°C to 115°C), ensuring long-term consistent performance.

