Hot products
Tel:0086 18955343797
E-mail:felix@bison-tech.com
Product details description
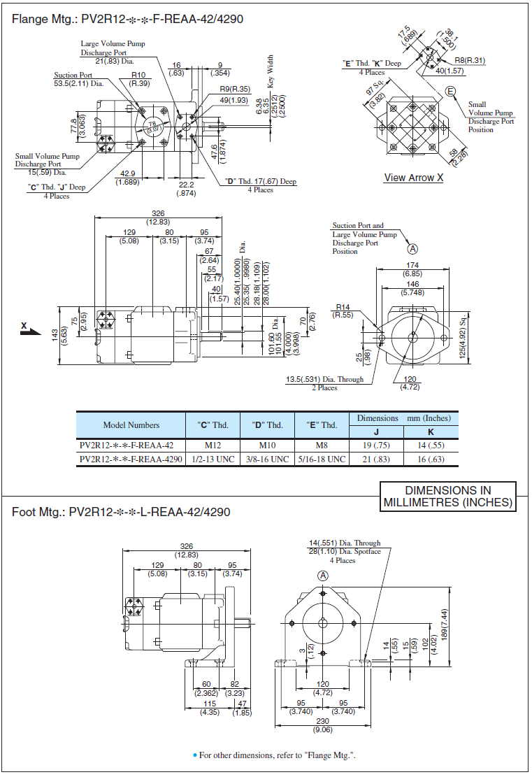
Double vane pump,Pump body material: Cast iron (commonly found in hydraulic pumps, featuring wear resistance and structural strength)
Large pump displacement, suitable for high-pressure and high-flow scenarios
Maximum pressure: 21MPa (The double pump can independently output pressure).
Operating temperature: Supports low-temperature environments
Double structure: Two vane pumps driven by the same shaft are connected in parallel, and the output flow can be distributed to independent circuits.






