Hot products
Tel:0086 18955343797
E-mail:felix@bison-tech.com
Product details description
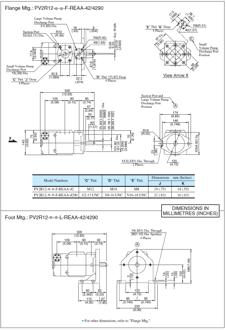
Double vane pump
Dual-pump combination : composed of two PV2R series single pumps connected in series, driven by a shared shaft, it provides a single suction port and dual discharge ports, and can independently control the flow output of the two circuits.
Material properties : Vane pumps are typically made of high-strength alloy steel or cast iron to ensure wear resistance and pressure resistance; The seals are mostly made of fluororubber or polyurethane, which are suitable for high-pressure hydraulic systems.
Application field : Widely used in industrial machinery, construction machinery and other scenarios that require stable flow output






