Hot products
Tel:0086 18955343797
E-mail:felix@bison-tech.com
Product details description
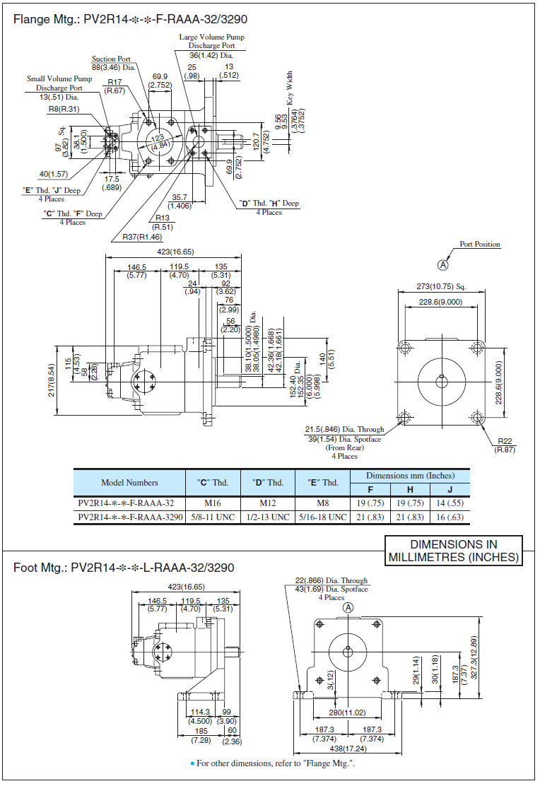
Double vane pump
Made of high-quality metal materials, it ensures structural strength and durability.
The pump body and key components have undergone precise processing, meeting the high requirements of hydraulic equipment for material strength and sealing performance.
High efficiency and stability: Through advanced hydraulic technology, rapid liquid transportation is achieved, featuring high operational efficiency and stable performance.
Reliability: Precise manufacturing processes and strict quality control ensure no significant performance degradation over long-term use.
Maintainability: The structural design simplifies the maintenance process, facilitating daily inspection and maintenance.






