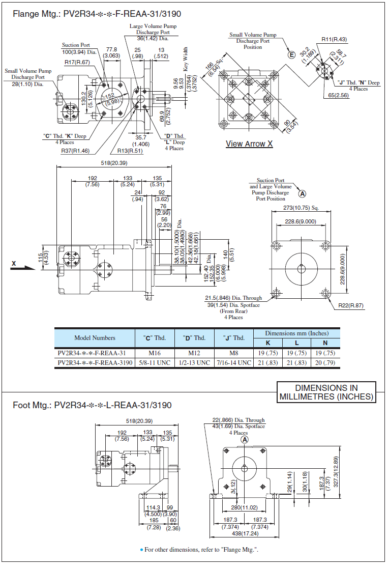
Yuken Series PV2R34-76-200-F-LLAE-30 Hydraulic Pump

Model:
PV2R34-76-200-F-LLAE-30
Max Pressure:
Flow Capacity:
Weight:
100
Description:
Double vane pumpMain material: Cast iron, which has excellent mechanical strength and wear resistance, and is suitable for high-pressure working conditions. ‌Blade design: Advanced blade technology is adopted to ensure high volumetric efficiency and low noise, and to reduce vibrat

Product details description

 Double vane pump
 Main material: Cast iron, which has excellent mechanical strength and wear resistance, and is suitable for high-pressure working conditions. ‌
 Blade design: Advanced blade technology is adopted to ensure high volumetric efficiency and low noise, and to reduce vibration. ‌
 Pressure and flow rate: It can meet the requirements of high-pressure equipment. ‌
 Adaptability: It is suitable for hydraulic oil media at 30-90℃ and can operate stably in various industrial environments. ‌
 Process standards: Precision processing and strict quality control are adopted to ensure that parts have minimal wear and a long service life. ‌



INQUIRY DETAILS